http://m.cafe.daum.net/woorisaijai/68IT/51?q=%EA%B5%B4%EC%82%AD%EA%B8%B0%EC%A3%BC%ED%96%89%EB%B0%B8%EB%B8%8C&re=1

 

 

 

 

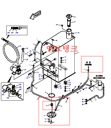
1. 유압장비 연료계통 점검요령

 

오래된 장비 일수록 연료 계통에 문제점이 많이 발생 합니다.

현재 회원님들이 가지고 계시는 유압장비는 15년 이상된 장비가 많더군요.

연료 계통의 문제는 자가 수리 가능합니다.

회원님의 질문을 토대로 작성 해보았습니다.

 

 

 

 

위 그림은 모든 유압장비가 연료 계통의 시스템은 똑 같습니다.

오래된 연료탱크 일수록 탱크 바닦부분이 녹이 많이 슬어서 철녹 과 불순물이

출력 쪽으로 고여 있습니다.

이곳을 뚜껑을 열어서 청소를 해주어야 합니다.

사각 부분이 걸림망에 불순물이 많이 걸려서 연료가

연료 분사 펌프까지 전달이 안되는 경우가 많습니다.

 

 

 

 

 

 

연료탱크에 이상이 없으시다면

연료흡입펌프 (61번)에 펌프질을 하면

연료탱크에서 오는 호스를 타고 연료가 경유휠타에 공급이 됩니다.

이때 화살표 방향에 확인 해보면 걸림망이 있습니다.

(없는것도 있어요)

그 부분의 불순물을 제거 하시기 바랍니다.

 

1.사용중에 장비가 푸드득 푸드득 하며 자동으로 시동이 꺼질경우

2.연료펌프질을 해서 경유휠타 또는 노즐까지 에어를 빼고 연료를 채웠어도 잠시후 다시 꺼지는 경우

는 꼭 확인 해보세요...

 

 

** 브란자에는 2개의 케이블이 연결되어있습니다.차종마다는 틀리지만

악세레다 케이블 과 엔진스톱케이블이 있습니다.

시동을 걸면 엔진은 돌아가는데 머플러에서 검정연기는 안나오고 하얀연기가

나 올경우에는 꼭 엔진스톱케이블이 당겨져 있는지 확인하세요.

 

 2.유압회로도 작동불능 자가진단 및 사용방법

 

이곳 게시판에 유압프레스 회로도를 올려 놓았는데 많은 회원님들이

궁금하시는 내용을 종합했습니다.

게시글 참고 바랍니다.

http://cafe.daum.net/refarm/5U5g/2057

 

1)전기모터 및 펌프

-전기모터는  사용전압 및 단상.삼상유무 확인후 사용 하십시요.
-모터 회전방향 확인을 꼭 하시길 바랍니다. 

   삼상시 회전방향 바뀌면 토출 및 압력형성 안됩니다.

-모든 펌프는 "릴리프밸브" 라고 압력 조정하는 밸브가 장착되어있습니다.

  동작이 느리다고 빠르다고 임의 대로 만지지 않는것이 좋습니다.

  처음 나올때 세팅 되어서 나오는 만큼 절대 만지지 않는것이 좋습니다.

 

2)유압탱크

- 유압탱크는 실린더의 크기에 작용하겠지만 크지도 작지도 않은 약 20~30L이면 

   충분하다고 봅니다.

- 유압작동유는 약75~85% 용량을 확인하시고 #46 점도의 유압작동유면 충분합니다.

 

3)실린더

- 가장 고민을 많이 하시는 부분 인듯 합니다.

  크기,길이,두께의 실린더는 공업사에서 제작하는곳이 많습니다.

  오랫동안 사용하지 않은 실린더는 분해 후 내용물 확인 후 사용바랍니다.

 

4)자가 고장조치 및 원인

- 펌프가 오일을 토출하지 않을때는

   펌프의 회전방향을 먼저 확인 하십시요. 반대방향의 회전이면 절대 토출되지 않습니다.

   유압탱크에서 펌프 쪽으로 나오는 흡입 방향을 너무 작게 하지 않은가?

   오일 흡입은 잘 되는가?

 

 -펌프 이음새 소리가 날때

   유압유가 적당량이 있는지 확인 바랍니다.

   흡입 호스 또는 흡입 파이프를 확인 바랍니다.(호스가 꺽이지 않았나?)

 

- 실린더가 작동이 안됩니다.

   유압회로도 형성이 잘 되었나요?

   펌프의 축이 파손되지 아니했는가?

 

더 많은 질문은 댓글 이용 바랍니다.

충분히 답변 드리겠습니다.

 

 

3. 굴삭기 메인 유압배관 (12월24일 작성)

 

굴삭기 또는 유압장비의 메인 주 배관은 원리는 같습니다.

굴삭기의 기종이나 메이커가 달라도 주 배관은 같습니다.

 

1. 유압탱크에서 흡입관을 타고 메인펌프 까지 유압유를 공급합니다.

2. 엔진 회전수 만큼 메인 펌프 축을 통해 펌프가 토출을 시작 합니다.

   만약 엔진 회전수가 1분에 100바퀴 라면 메인펌프 회전수도 1분에 100바퀴를 돕니다.

3. 토출량의 오일이 P1.P2.P3의 호스를 타고 메인콘트롤로 작동을 시켜 줍니다.

   P1.P2는 주배관이고 P3는 스윙모터 구동과 도자(앞 삽날)을 구동 시켜 줍니다.

4. P1.P2의 호스를 통해서 받은 메인콘트롤은 센터조인트 그리고 그림에는 없지만 프론트 부분의

  실린더를 작동 시켜 주는 호스에 원동력을 만들어 줍니다.

5. 센터조인트를 통해서  주행 전후진 배관 그리고 도자 블레이드 배관이 이어 집니다.

   가끔 주행이 편차가 심하게 납니다 라는 질문을 많이 받는데 ..

   펌프에서도 이상 유무가 있지만, 주행 힘이나 편차는 센터조인트에서도 발생 할수 있고

   주행 모터에서도 발생 할수 있습니다.

6. 스윙모터의 힘은 P3의 펌프에서의 원동력 입니다.

   좌측 우측의 스윙이 많이 느려 지고 도자 블레이드가 아래 위로 내리고 올리는데 힘이 많이 떨어지면

   P3의 펌프를 의심해보시면 됩니다.

   자가 진단은 P2와 P3의 호스를 서로 바꿔 보고 스윙과 도자를 시험해보면 동작이 확연히 차이가 나면

   P3의 펌프를 의심하셔야 하고 좌측으로 스윙 할때는 괜찮은데 우측으로 스윙이 많이 느릴경우는 

  모터에 달린 우측 릴리프 밸브의 이물질이나 수명이 다된것으로 보시면 됩니다.

 

굴삭기 및 유압장비는 수 많는 유압배관으로 이루어지며 전기 계통을 통해 움직입니다.

조금의 유압 흐름도만 파악을 해도 이해 하실수 있습니다.

 

 

 

 

 

 

 

 

 4. 유압피스톤(실린더) 회로도 및 자가 진단법(12월26일)

 

네번째는 피스톤(실린더)에 대한 간단한 지식과 자가 진단을 쓰겠습니다.

피스톤은 유압장비에는 모든 부분이 방식이 같습니다.

굴삭기 피스톤을 이용하여 말씀 드리겠습니다 참고 바랍니다.

 

1)첫번째 그림 - 피스톤 분해

 

피스톤 내부를 분해 하면 그림과 같이 유압 씰 과 적색 네모 안의 피스톤 씰로 구성 되어있습니다.

유압의 누유 부분은 적색부분이 아닌곳 부분의 유압 씰이 굳어져서 누유 발생을 하는것이고

실린더 자체의 하강은 적색부분의 피스톤 씰의 파손으로 인하여 자체 하강이 거의 대부분이 될수 있습니다

실린더 하강 원인의 자가 진단법은 간단 합니다.

아래 사진을 참조로 설명 드립니다.

 

 (1) 차체를 이용하여 지면위로 상승을 시키면 피스톤이 화살표 처럼 안으로 들어가게 됩니다.

      만약 피스톤 씰의 불량일 경우엔 붐이 하강을 합니다. 자연 흐림이라고 합니다.

      붐이 하강을 하지 않을 경우는 피스톤 씰이 문제가 없습니다.

 

 

(2) 아래의 그림과 같이 붐대만 상승 시켰습니다.

    화살표 방향처럼 피스톤이 많이 나왔습니다.

    지켜보시면 붐 피스톤이 붐대의 무게 때문에 흐르는지 확인 하실 수 있습니다.

 

(3) 1번과 2번의 그림처럼 두 그림 모두 했을때 피스톤이 흐르는 것이 육안으로 확인 된다면

     피스톤씰의 파손으로 인한 흐름으로 보시면 됩니다.

     만약의 경우 피스톤 씰이 문제가 없는데 흐른다면 튜브(겉의 통)의 원통이 변행이 와서

     흐르는 경우도 있습니다.

     단,1번 사진 처럼 했는데 피스톤이 흐르지 않고 2번 사진은 흐르는 경우

     반대로 2번 사진은 흐르지 않고 1번 사진 처럼 했을때 흐르는 경우는

     피스톤(실린더)의 문제는 아닙니다,

     아래 유압 회로도로 설명 하겠습니다.

 

2) 유압피스톤(실린더) 회로도

 

(1) 조종석에 앉아서 좌,우측에 있는 조종레바를 움직이면 피스톤이 상승 하강이 됩니다.

그 원리는 아래 그림과 같이 설명 드리겠습니다.

실린더에 호스가 2개 연결 됩니다. 그 유압호스가  콘트롤밸브의 한 블럭에 연결 됩니다.

조종 레바를 작동을 시켰을때 조종레바에 연결된 호스부분이 콘트롤 블록에 연결되어

상승 하강을 할 수 있는겁니다.

 

 

 

-아래 그림은 콘트롤 밸브를 분해한 그림입니다.

화살표 방향의 스플 이란것이 조종레바를 작동 했을때 양방향의 화살표 처럼 움직일때 상승 하강이 됩니다.

릴리프(과부하)밸브란 것이 블럭 양쪽으로 하나 씩 들어 갑니다.

위 굴삭기 사진에 설명 했듯이 한쪽 방향만 흐름이 있을경우에는 이 릴리프 밸브에 문제가 있습니다.

피스톤을 새것으로 교환을 했는데도 흐름이 똑 같다 싶으면 릴리프 밸브에 문제가 발생해서 피스톤이 흐름니다.

또 한가지 화살표의 스플이란것이 있습니다.

이 스플에서도 문제가 발생(오랜시간동안 움직임의 마모)로 인하여 흐름이 발생할수도 있습니다.

체크 밸브란 작업중에 피스톤(실린더)연결된 유압호스가 파손 되었을 경우 피스톤이 저절로 하강할 경우

많이 위험 하겠지만 각 피스톤에는 그걸 방지 하기 위하여 체크밸브를 장착 합니다.

만약 유압 회로를 직접 형성해서 만들경우  체크 밸브를 장착 하지 않을 경우

많은 위험이 있다는 점 염두에 두시길 바랍니다.

 

 

 

 

 

위 내용들이 이해 하시기 어렵다고 판단 됩니다.

원리를 대충 알고 계신다면 조금은 이해 하리라 믿습니다.

도움이 되었으면 합니다. 궁금하신 점 있으시면 댓글 남기세요.

 

5. 오일 점검 (12월31일)

 

건설기계를 사용 하면서 오일 점검을 소홀히 하여 고장의 원인이 되는 일이 빈번 합니다.

특히,회원님들 처럼 집에서 농장용으로 사용하는 굴삭기 지게차 기타 유압장비들이 오일 점검을 소홀이 합니다.

일년에 몇번 사용을 안해서 그런 경우도 있고 주말 농장에 세워놓아서 그렇습니다.

오랜 시간을 세워 놓을경우 꼭 밧데리 분리 해놓고 겨울철엔 꼭 부동액을 점검 하십시요.

다섯번째는 오일 점검을 말씀 드리겠습니다.

유압장비는 부품들이 엄청 고가 입니다.

오일 점검만 제대로 하신다면 돈 안 들이고 사용 하실 수  있습니다.

 

아래 그림으로 설명을 드리겠습니다.

 

(1) 오일 점검 및 그리스 주입구

 

 

 

 

 

(2) 주행감속기 오일점검

 

가지고 계신 유압장비의 주행감속기는 중고로 구입을 하셔도 50~80만원 정도 합니다.

오일 점검만 제대로 하신다면 이 감속기는 파손 될 일이 없습니다.

일을 하시다가 심하게 LPG가스 냄새가 나면 우선 주행 감속기를 오일이 누유가 되는지

점검을 하셔야 합니다.

오래된 장비일수록 감속기가 틀릴수도 있습니다.

감속기 앞면을 보시면 오일게이지의 구멍이 3개가 있습니다.

모두 일직선으로 두고 반 정만 기어오일이 들어 있으면 문제 없습니다.

 

 

 

 

(3) 유압작동유 오일 점검

 

유압장비는 굴삭기 지게차 콤바인 트렉터 외 모든 유압콘트롤로 작동하는 장비는

유압 오일이 들어 있습니다.

각 배관은 유압호스로 연결 되어있습니다.

만약에 가정하에 유압탱크에 십원짜리 동전을 넣으면 밑에 흡입파이프를 통해서

펌프-> 각 유압기기를 통해 돌아 다니다가 다시 유압탱크의 유압휠터 부분으로

다시 돌아 옵니다. 물론 십원짜리 동전은 통과를 할수는 없지만 원리가 그렇다는 겁니다.

유압호스의 배관은 사람 핏줄과 동일 합니다.

유압장비 내에 수 많은 배관으로 이루어 져서 유압호스의 파손이면

유압작동유에 있는 유압오일이 다 누유 됩니다.

탱크내에는 70~80%만 들어 있으면 되고 각 오일은 46번 유압유를 사용 하시면 됩니다.

 

 

(4) 스윙감속기 오일점검

 

각 메이커 마다 스윙감속기의 모양은 틀립니다.

하지만 원리 및 내용은 똑 같습니다.

이곳도 기어오일을 넣습니다.

게이지는 정량의 중간부분에만 맞추어지면 됩니다.

스윙감속기의 위치는 운전석에 우측 캐빈과 유압탱크 중간에 있습니다.

조종레바를 스윙조정하면 스윙모터를 작동시키고 스윙모터와 스윙감속기 부분의 축을 이용하여

스윙감속기를 돌려주고  스윙감속기는 맨 밑의 기어(스윙 피니언기어)가 돌아가면서

1번 그림의 스윙베어링을 돌리게 되어 좌,우측의 스윙이 작동하는 원리 입니다.

만약 스윙베어링 사이로 기어오일과 그리스가 같이 베어 나온다면

스윙감속기 부분의 오일 점검을 꼭 하십시요.

 

 

 

 6. 밧데리 관리 요령

 

1) 밧데리 용량

밧데리의 용량은 기존의 동일한 밧데리의 용량을 선택 할 수 있지만

크기 부피가 맞는 다면 더 큰 용량의 밧데리를 장착을 해도 무방하고 권장하고 싶습니다.

평균 유압장치의 12v 밧데리의 용량은 80~100의 용량을 사용합니다.

 

2)밧데리 교환 방법

먼저 -단자의 선을 떼어 냅니다. +단자를 떼어 냅니다.

장착은 역순으로 하시면 됩니다.

주의) 요즘은 오디오에 비밀번호 장착된 유압장치가 많습니다.

밧데리 탈착시에는 오디오 비밀번호를 모르시면 낭패를 봅니다.

 

3)  밧데리 단자

밧데리의 단자는 + 접지와 - 접지의 굵기가 틀립니다.

단자를 구입시에 꼭 + - 단자의 접지 부분을 생각하시고 구입하시고

꼭 단자 접지 부분을 꽉 조임을 하시길 바랍니다.

접지 부분의 헐렁하면 불꽃으로 인하여 녹아 버리고 화재의 원인이 될수 있고

전기 계통의 이상을 가져 올수 있습니다.

 

4) 밧데리의 수명

밧데리 표면에 보면은 녹색 부분에 있으면 완충 으로 생각을 많이 하십니다.

물론 맞는 말씀 입니다만, 녹색 부분이 진하게 있다고

밧데리가 완충 된것은 아닌경우도 많습니다.

녹색 부분이 되어 있어서 밧데리 이상 없다고 단정 지으시는 분들 참 많습니다.

밧데리의 수명은 사용하기 나름 이지만 오랜 장시간 사용 안 하실 경우는

-단자를 떼어 내시길 바랍니다.

 

5) 단자 점검

밧데리의 단자부분에 전해액으로 인하여 부식 되는 경우가 많습니다.

이때는 접촉 저항이 커져서 전기가 잘 흐르지 않으니 꼭 부식 부분을 청소를 해주길 바랍니다.

 

6) 겨울철 밧데리 관리 요령

외부기온이 낮은 곳에 오랜 시간 방치를 해 놓은 밧데리는 전해액이 낮아져서

밧데리의 성능이 저하되고 또한 영하10도 이하의 날씨속의 밧데리는

절반의 성능의 밧데리로 저하되어 시동 스타트에 애로점이 많습니다.

또한 겨울철에는 장시간을 사용하지 않기 때문에 사용하지 않으면

밧데리 방전이 안될거라는 생각을 많이 하시는 경우가 있는데

장시간 사용을 안하드라도 소량의 전류는 흐릅니다.

그로 인하여 수명 저하 및 방전의 문제를 야기 시킵니다.

장기간 사용을 안할 경우는 꼭 (-) 단자를 떼어 내시길 바랍니다.

밧데리의 수명은 2년에서 약 3년 정도의 사이입니다.

 

7. 트랙 입히는 요령

 

굴삭기의 트랙(슈)가 벗겨졌을때 참 난감해 하시는 분들이 많습니다.

많은 인력으로 통채로 입히시는 경우가 상당히 많습니다.

힘만 더 들고 체인이 많이 늘어나지 않을 경우에는 입히기도 힘듭니다.

이럴경우 손 쉽게 입힐수 있는 방법이 있습니다.

아래 그림으로 설명을 드리겠습니다.

 

 

 

 

 

 모든 굴삭기의 구조는 똑 같습니다.

메이커 마다 내부 구조가 틀리지만 원리 및 요령은 똑 같습니다.

또 한장의 그림을 삽입하겠습니다.

 

 

 

 

각 체인 마다 연결된 핀이 많이 있습니다.

그 중에 하나의 마스타핀을 찾으셔야 합니다.

일반핀은 구멍이 없습니다.핀 끝의 부분이 틀리게 생겼습니다.

그것이 마스타 핀입니다.

이제 설명 드리겠습니다.

 

1.제일 먼저 맨 처음의 그림에 보면 그리스 밸브 가 있습니다.

  먼저 밸브 통채로 빼 내십시요.

2.그 다음은 두번째 그림의 마스타 핀을 찾아 빼 내셔야 합니다.

  마스타핀을 빼내는 공구는 하나 만드시는것이 좋습니다.

3.마스타 핀을 빼 내시면 체인이 연결 된 부분이 나누어 집니다.

 그때 바닦에 넓게 펼친 다음 트랙을 체인 위에 올려놓으시면 됩니다.

4.첫번째 그림에 보면 아이돌라가 있습니다. 아이돌라를 빼십시요

5.그 다음 장력 스프링을 빼내세요(장력 스프링을 빼낼때는 그 안에 흙이 많이 있습니다.

 겨울철에는 그 흙이 얼어서 빼내기가 쉽지 않지만 흙을 모두 제거 해주셔야 합니다.

6.장력 스프링 앞에 보면 장력 실린더가 있습니다.

 그것도 빼 내십시요. 흙도 함께 모두 제거 하셔야 합니다.

 장력실린더 부분이 많이 나와 있습니다.모두 안으로 넣으세요.꼭 다 밀어 넣으셔야 합니다.

 다 넣으시면 그리스가 옆으로 나옵니다.발로 위에서 아래로 밟으시면 다 들어갑니다.

7.내부에 있는 모든 흙을 제거 하십시요.

 

이제 그 반대로 하시면 됩니다.

장력실린더 -> 장력스프링->아이돌라를 장착 하십시요.

이때 모두 안으로 최대한 다 밀어 넣으셔야 차체의 거리가 좁아집니다.

모든 순서는 역순 입니다.

트랙을 밑으로 펼친 다음 트랙을 입히시고 연결부위의 마스타핀을  넣으시면 됩니다.

실상 설명은 쉬워도 하기는 어렵습니다.

궁금하신 내용있으시면 댓글 또는 유선전화로 문의 바랍니다.

도움이 되었으면 좋겠습니다.

 

 

 

 

 

 

 

 

 8. 겨울철 사용하지 않은 장비 점검요령

 

겨울 내내 한쪽 구석에 세워 놓은 장비의 점검 요령 입니다.

이제 공사 준비 하시는 분들 많으시리라 생각 됩니다.

오랫동안 세워 놓으신 장비 바로 시동 걸어서 현장 투입 하시지 마시고

충분한 점검을 하신 후 공사를 하시기 바랍니다.

 

 

 

 

 

1.주행감속기

2번 화살표가 주행감속기 입니다. 주행감속기에는 스프라켓(톱니)이 장착 되어 있습니다.

이 스프라켓 안쪽에 흙이 얼어 있습니다.

이 부분을 꼭 흙을 제거 하십시요. 흙이 자주 끼어 있든가 아니면 흙이 얼어서 주행감속기와 스프라켓 사이에서

기어오일이 누유 되는 현상이 있습니다.

이때 누유 되는 기어오일 냄새가 LPG 가스 냄새와 흡사 합니다.

가스 냄새가 날경우는 꼭 이부분을 제거 하시고 수렁,논,연못의 늪지의 빠지는 곳에서

일을 할경우도 꼭 이 부분을 청소 하십시요.

주행감속기 안으로 물과 뻘이 들어 가서 주행감속기의 파손을 일으킵니다.

 

2.주행감속기

기어오일 점검을 하십시요.

용량은 주행감속기의 원을 1/2 정도의 기어오일이 들어갑니다.

오일이 없다면 커버를 열어서 꼭 확인 하십시요.

 

3.엔진 오일

텃밭을 일구시다 보면 일년에 많이 써야 한달도 사용 안 합니다.

사용 안 하다 보니 엔진오일을 무심코 1년에 한번 교환도 안하시고 사용하시는 회원님들이 많습니다.

오일은 자주 교환 하시는것이 좋습니다.

 

4.프리크리너

에어크리너와 연결 부위가 있는 프리크리너 입니다.

오래된 장비는 없습니다.

이 부분을 열어 보시면 먼지 흙이 상당이 많습니다.

에어크리너 사서 끼우셔도 이 부분에 흙이 있으면 교환 하시나 마나 입니다.

이 부분 꼭 봄철에 먼지 많이 날리는 경우 자주 청소 해주십시요.

 

 

 

 

 

5. 라지에터

라지에터 와 오일쿨러(유압유 라지에터)의 먼지는 제거 하십시요

날씨가 더워지면 냉각 시스템이 과부하로 열을 많이 발생 시킵니다.

라지에터 냉각수 점검 하시고 시냇물 흐르는 물은 절대 넣지 마십시요.

라지에터 청소는 물로 뿌리지 마십시요.

먼지가 더 많이 붙습니다.

 

6.유압유 탱크

겨울철에 날씨가 추웠다 포근했다 하는 반복적인 날씨 때문에

이 탱크에 수증기를 발생 시켜서 물이 생깁니다.

유압유 색상은 오래 사용하면 검게 변하지만 물이 섞이게 되면

유압유 색상은 노란색을 변합니다.

한번쯤 열어 보시고 휠터도 청소 해주시고 모지라는 유압유도 보충 하십시요

유압탱크는 70-85%정도만 들어 있으면 됩니다.

100% 탱크에 채우시는것은 절대 아닙니다.

경유 탱크도 마찬가지 입니다.

 

7.밧데리

오랜 시간 사용하지 않으시면 단자를 빼 놓으시리라 말씀 드렸습니다.

+.-단자 부분의 조임을 꼭 단단히 체결 하십시요.

요즘 밧데리는 용량을 쉽게 구별 할 수 있게금 밧데리 표면에 초록색으로 표시 되어 있습니다.

초록색이 보이신다고 밧데리 용량이 좋은것은 절대 아닙니다.

점검 후 꼭 사용하시고 밧데리 메인 스위치 장착을 권장 하지만

그렇지 않으면 꼭 단자를 분리 하시길 바랍니다.

 

요즘 조금 일이 많이 지고 바빠졌습니다.

자주 못들려도 이해 해주시고 자주 좋은 정보 올리겠습니다.

감사합니다.

 

9.중고 굴삭기 구입 요령

 

봄철 공사가 한창인 관계로 중고 굴삭기 구입 하시는 회원님들이 많으시리라 판단 됩니다.

10일 임대료 사용하면 중고 굴삭기 구입이 가능해져서

자가용으로 구입 하시는 회원님들이 많습니다.

저도 그렇게 판매 하는 굴삭기도 많이 있지만

중요한것은 아무것도 모르고 구입 하시는 분들중에 낭패를 보시는 분들이 참 많습니다.

중고 굴삭기 구입의 간단한 팁을 알려 드립니다.

참고만 하시길 바랍니다.

 

1.엔진

각 메이커 회사마다 엔진은 틀립니다.

요즘 나오는 신형 장비들은 모두 같은 얀마4tn엔진을 사용합니다.

그전 모델들은 각각 엔진이 틀립니다.

엔진 시동후 머플러의 배기를 잘 보면 검정매연이 심하게 나온다든지

하얀 연기가 심하게 나온다던지...

아니면 엷은 푸른색의 매연이 심하게 나오게 되면 브란자 및 엔진을 의심 해보셔야 합니다.

 

2.유압펌프

엔진이 만약 1분에 100바퀴를 돌면 유압펌프도 1분에 100바퀴를 돕니다.

굴삭기의 생명은 유압 펌프 입니다.

이 펌프의 성능을 육안으로 확인 할수 있는 방법은 여러가지로 있습니다.

굴삭기 각 실린더 1붐 .2붐.3붐의 실린더를 작동시킵니다.

주행 또한 펌프에서 토출 합니다.

만약 1.2.3번의 붐동작중에 하나의 동작이 늦거나 아니면 주행 한쪽이 조금 늦다면

펌프를 의심 해보셔야 합니다.

가장 좋은 방법은 펌프의 호스를 서로 바꾸어서 동작을 해보면

다른 붐이 늦어 진다면 다른쪽이 주행이 바뀌어서 동작이 늦어 진다면

펌프의 수명을 의심 해보셔야 합니다.

또,메인 펌프 끝에 조그만 펌프 하나가 더 있습니다.

기어펌프라고 하는데 이 펌프로 스윙 및 브레이드 도자를 작동 시킵니다.

현저하게 스윙이 늦거나 도자가 잘 작동 안되면

끝의 기어펌프를 의심 해보셔야 합니다.

 

3.스윙 감속기 및 스윙 베어링

굴삭기를 1/2로 생각해서 하체와 상체사이에 보면 큰 베어링이 있습니다.

이것이 스윙 링기어 입니다.

사람으로 따지면 허리 부분인데 이 링기어가 안좋으면 일 하시는데

많은 불편을 줍니다.

아래로 끄덕 거림이 많으면 스윙베어링이 나간 겁니다.

비용도 만만치 않습니다.

폐차 할때 까지 잘 사용하시면 한번도 교환 안 하셔도 되는데

험하게 사용하시는 분들은 오래 사용을 못합니다.

 

4.하체 부분

트랙 하체 부분입니다.

볼보장비는 슈(철판)가 39장 입니다.

삼성 장비는 38장 입니다.

대우 028인경우는 39장이고 대우 두산 장비는 40장입니다.

현대 장비도 40장 입니다.

 위쪽 그림을 잘 보시면 슈 그림이 있습니다.참고 하시길 바랍니다.

오래 사용하다 보면 체인이 늘어 나서 부싱이 많이 눌러져서

일 하실때 트랙이 이탈 하는 경우가 있습니다.

하체 좋은 중고 굴삭기 구입도 힘들지만 이왕 사시는 거

하체 좋은 장비로 구입 하십시요.

 

5.오일 누유

굴삭기 유압계통은 유압 호스로 이루어 집니다.

사람의 심줄과 같은 역활 입니다.

많은 유압 호스가 들어가 있습니다.

이 많은 호스를 다 교체 할 수는 없습니다.

조금씩 새어 나오는 제품은 호스 교환을 하면 되지만

유압계통에서 흘러 나오는 부품들은 교체가 돈이 많이 들어갑니다.

구입 하는 제품중에 웬만하면 수리 해 놓은 장비를 권해 드립니다.

수리 장비도 일을 하다가도 언젠가는 오일 누유 됩니다.

그때 그때 고쳐서 사용 하시면 되지만 이왕 구입하시는 장비 돈을 조금 더 주더라도

수리 해 놓은 장비를 권 합니다..

 

두서 없이 쓴 내용이지만 실제로 이렇게 설명해도 처음 장비 구입하시는 분들은

이해하기 어렵습니다.

좋은 장비 구입하셔서 농사일에 많은 도움이 되시길 바랍니다.

모르시는 부분이  있으시면 쪽지 또는 핸드폰으로 전화를 주십시요

조금이나마 도움이 되었으면 합니다.

 

10. 봄 철 유압장비 관리요령

 

1.배터리

겨울철에는 전기소모가 많아져서 배터리의 수명이 많이 줄어 듭니다.

오래 방치 해둔 장비 일수록 더욱 더 그렇습니다.

+ - 단자 조임을 확실히 해 두시고 부식이 되었으면 단자 부분을 사포로 매끈하게

청소 한 다음 조임을 단단히 하시길 바랍니다.

tip) 겨울철 또는 장기간 사용 안 하시는 배터리는 탈거 해서 상온의 실내에 보관 하시면

배터리 정말 오래 사용합니다.

 

2.에어크리너

봄 철에는 에어크리너 엘리먼트를 아끼지 마십시요

황사 또는 먼지가 많이 발생을 시키기 때문에 자주 털고 자주 교환 해주십시요.

연료의 과다 소모의 원인이 되며 , 유압 출력 부족 그리고 ....

매연 가스의 배출을 심하게 합니다.

특히 엔진 수명에도 치명적인 손상을 일으킬 수 있습니다.

젖은 엘리먼트는 절대 사용하지 마십시요.

 

3.부동액 점검

4계절용 부동액을 사용을 많이 하기 때문에 크게 점검을 하지 않아도 되지만

절대 부동액 또는 물을 한번 점검은 필수 입니다.

 

4.엔진 오일

겨울철 오랜 시간동안 사용하지 않은 장비 일수록 봄 철 장비 사용하시기 전에

꼭 엔진 오일 교환을 하고 사용 하세요.

오래된 장비 일수록 오래 새워 놓은 경우는 침전으로 인하여

오일 순환 펌프에 이상이 생길수 있습니다.

비탈진곳의 산에서 일하는 장비는 꼭 엔진오일을 게이지 눈금 보더 조금더 오버 시켜서

보충 하십시요.

장비가 기울여져서 엔진이 아웃 되는경우가 많습니다.

 

5.그리스 주입

각각 핀 주위에 보시면 그리스 주입구가 별도로 있습니다.

너무 많이 주시지는 마시고 조금씩 그리고 자주 주십시요

그리스 주입을 하지 않은 핀 부위는 마모 그리고 파손의 결과를 초래 합니다.

봄철 조금만 신경 써서 그리스를 주입해 주십시요.

 

11.굴삭기 전기 계통 이상시 비상조치 요령

 

모든 건설및 농업용기계의 움직이는 장비에는 전기의 배선이 깔려 있습니다.

전기 문제로 인하여 많은 분들이 유압 계통의 고장 보다도 더 애를 먹는 경우를 많이 봅니다.

집에서 사용하시는 분들의 경우가 대부분 그런 경우에 해당하는데..

몇가지만 알아도 임시조치로 사용하실수 있습니다.

일단 아래 그림 참조로 설명 드리겠습니다.

 

 

1.휴즈박스

 

일단 유압계통의 문제가 아니라면 제일 먼저 휴즈박스를 점검 하십시요.

휴즈박스의 안쪽에 보시면 각 기능의 휴즈들에 대한 설명이 있습니다.

제일 먼저는 휴즈 먼저 보시는 겁니다.

 

2.배터리 릴레이

 

모든 굴삭기는 배터리 릴레이란 것을 장착 해 놓았습니다.

배터리의 + 단자를 따라가면 모자 모양으로 생긴 주먹 만한 마그네트가 있습니다.

이것이 고장이 날 경우 시동은 걸수가 없습니다.

계기판에 점화가 되었는데 키를 돌리면 배터리 박스 쪽에서

"딸깍 딸깍" 소리가 납니다.

이럴 경우 배터리마그네트의 기능이 작동을 안할수 있습니다.

이 마그네트를 통하여 스타트모터(세루모터)로 연결 됩니다.

이때 +본선을 마그네트 없이 직선을 매시면 시동을 거실수는 있습니다.

추후 이 마그네트를 사셔서 장착만 하시면 됩니다.

 

3.컷 오프 릴레이

 

맨 아래 그림을 보시면 컷 오프스위치가 보이실 겁니다.

주행은 작동을 안 하는데 상부동작(작업레바)이 안될 경우에는 이것을 확인 하십시요.

1)안전레바가 제대로 아래로 눌러져 있는지 확인

2)휴즈박스의 컷오프 휴즈를 제일먼저 확인

3)엔진 뒤쪽의 컷오프 솔밸브의 잭이 제대로 연결이 되었는지 확인

이 모든것은 확인 할수 있는 방법은 육안으로는 힘듭니다.

전기테스트기를 하나 장만 하십시요.

전기가 흐르면 불이 들어오는 간편하게 사용할수 있는 테스트기 저렴하게 구입하실수 있습니다.

순서대로 확인 결과 휴즈도 이상무,솔밸브도 이상무 일 경우에는

컷오프스위치가 고장원인이 될 수 있습니다.

이 또한 직선을 매시면 사용하실수 있습니다.

 

여기서 잠시 돌발 상황일 경우

->안전레바를 내리면 자꾸 휴즈가 끊어 집니다.

->확인 방법: 이럴 경우엔 솔밸브의 전기선의 피복이 벗겨져서 +-의 접전으로 휴즈가 나갈수 있습니다.

                    솔밸브의 고장으로 휴즈가 나갈수 있습니다.

->대체방법 : 고속주행 솔밸브와 컷오프 솔밸브는 똑 같습니다 . 사용하지 않는 고속주행의 솔밸브를 컷오프솔밸브로

                    서로 바꿔 주시면 됩니다. 고속주행은 거의 사용하지 않기 때문에 비싼 솔밸브를 사실 필요성은 없습니다.

 

4.시동이 키로 꺼지지 않을 경우

 

두번째 사진을 보면 엔진스톱모터가 달려 있습니다.

회사마다 기종마다 모두 이 엔진스톱모터가 틀립니다.

하지만 볼보,두산,현대의 경우 엔진이 얀마4tn의 경우엔 이 엔진스톱모터가

시동스타트까지 제어를 해줍니다.

얀마엔진의 경우 거의 고장이 나질 않지만 현대의 경우엔 고장이 잘 나는경우가 많습니다.

그 외에 장비는 삼성의 닛산엔진일 경우엔 메인펌프 앞쪽으로 보시면 그곳에 모터가 장착되어 있습니다.

이 모터에 물이 들어가는 경우도 많습니다.

또한 브란자에 연결된 케이블의 오래되어 작동 하지 않을경우도 있습니다.

이럴경우 십만원이 넘는 이 모터를 구입하지 않아도 브란자에 줄을 매달어서 

댕겨서 시동을 끄는 방법도 있습니다.

물론 응급조치 입니다.

엔진스톱모터의 잭 부분을 분리하여 전기가 오는지 테스트 해보시고

전기가 오면 모터 불량으로 보시면 됩니다.

그 전에 제일 먼저 보실 것은 "휴즈" ... 잊지 마세요!!

 

여기서 잠깐!!!

->시동을 거는데 세루는 계속 도는데 시동이 안걸립니다.

->해답 : 이럴경우는 제일 먼저 시동을 걸면서 머플러의 연기를 보시는 겁니다.

             시동을 걸면 모든 굴삭기는 머플러를 통하여 검정연기가 나옵니다.

             하얀 연기 또는 연기 자체가 안 나오면 브란자의 스동끄는 케이블이 땡겨져서 그런겁니다

             꼭 확인 하십시요

->검정연기는 나오는데 세루만 돌고 시동이 안걸려요

->해답 : 가장 기본적으로 2가지를 봅니다.

             경유가 제대로 올라오고 있는지 점검요망

             세루모터 마그네트 부분의 접전 불량 및 교환

             스타트모터(세루모터)의 마그네트는 얼마 안 비싼데 마그네트 하나 때문에

            이 스타트모터를 통째로 구입하시는 분들 참 많습니다.

            국산화 되어서 많이 싸진 기종도 많지만 수입품일 경우는 가격이 엄첨 납니다.

             마그네트 부분이 제일 먼저 점검 하시는 겁니다.

 

5.계기판 온도 센서

 

여름철에 가장 중요한 것은 냉각수 온도 입니다.

엔진 라지에터 호스 부분의 위에 보시면 온도센서가 장착되어 선이 연결 되어 있습니다.

그 부분에 전기가 오는지 확인 하시고 전기가 오면 센서교환을 해보십시요

센서도 문제가 없으면 계기판의 불량이 원인이 될수 있습니다.

 

더 궁금 스런 점이 있으신 분들은 유선이나 쪽지로 문의 바랍니다.

추후 더 이어 가겠습니다.

 

tip : 굴삭기도 불이 날수 있습니다.

       이유는 오래된 장비 일수록 배선이 노후 되고 유압유가 누유 되어 +-접전으로 인하여 불이 날수 있습니다

       저 같은 경우는 1년에 몇 차례씩 봅니다.

      점심 먹으러 간 사이 순식간에 불이 나서 사용을 할 수 없게 되는 장비를 많이 보았습니다.

      오랬동안 사용하지 않는 장비는 꼭 -단자를 빼 놓으십시요.

      배터리 수명 과 그리고 불이 날수 있는 것에 대한 최소한의 방법 입니다.

 

 

12. 냉각 시스템

 

 

 

추운 겨울이 지나고 더위와의 싸움이 시작되는 계절 입니다.

굴삭기 또한 더위와의 전쟁(?)이 시작되는 계절 이기도 하고요

연식이 얼마 안되는 굴삭기도 더위에 지칩니다.

오래된 굴삭기 일 수록 더욱더 냉각 시스템을 점검 할 시기 입니다.

엔진과열 그리고 엔진의 이상을 가져 올수 있는 냉각 시스템을

조금만 알면 올 여름 굴삭기 운영에 좋습니다.

맨위 그림에 보시면

라지에터를 통해 실린더블록으로 냉각수가 이동을 합니다.

특히 주의 해야 할 점은

정온기(써머스타트)의 역활이 가장 중요합니다.

정온기의 열리는 온도는 엔진마다 각 다르지만

약 75도~85도 사이에 정온기가 작동을 합니다.

이때 작동을 안 하든지

찌꺼기 또는 부식물에 의해 막히는 경우에는

냉각수의 온도가 상승 ..

굴삭기의 열을 발생 시킬수 있습니다.

오래된 굴삭기 일수록 이 정온기를 빼고 사용하시는 분들도 있습니다.

정온기가 없으면 히터 또한 사용을 할수 없습니다.

여름에는 정온기를 빼고 사용하시는 분들도 많습니다.

상관은 없습니다.

온도 상승의 또 하나의 원인중에는

휀벨트의 장력 때문에도 있을수 있습니다.

벨트의 장력을 확인 바랍니다.

계기판의 온도게이지도 확인 하시길 바랍니다.

온도센서의 불량 또는 계기판의 불량으로

온도메더가 작동 안 할수 있습니다.

오랜된 굴삭기는 배선이 단락으로 계기판이 작동을 안할수 있지만

꼭 ..

아침 시동 걸기전에 라지에터의 물을 확인 하십시요.

 

주의 : 냉각수가 부족하여 근 처의 개울가의 물을 넣는 경우가 많습니다.

철 성분이 함유 되어 라지에터의 부식을 빨리 가져온다는 정설도 맞는 말이지만

개울가의 부식물이 함께 엔진과 라지에터에 침투되어

냉각시스템에 이상을 가져오는 경우와

라지에터의 부식을 빨리 가져오는 경우가 있습니다.

되도록이면 깨끗한 물과 여름철에도 꼭 부동액을 넣으십시요.

 

 

 

**************************************************************************

스크랩 하시는 회원님들

얼마든지 가능합니다.

하지만 꼭 출처를 남겨 주십시요.부탁 합니다.

***************************************************************************

 

 

13.주행모터 및 감속기 배관 및 회로도

 

 

 

 

 

 

 

굴삭기 주행모터 및 주행감속기의 분해도 및 배관 회로도 입니다.

모든 굴삭기 기종과 상관없이 회로도 및 배관은 같습니다.

하지만 메이커에 따라서 기종에 따라서 주행모터 및 주행 감속기가 다릅니다.

 

1.주행모터

 

1)위 사진을 보면 주행모터 부분에 P1,P2의 고압 포트에 연결되는 고압호스의 경우

이 유압호스가 누유 되면 주행은 불능입니다.

또한 시동을 정지 시켜도 유압탱크의 유압유가 모두 그 호스를 통해 배출됩니다.

 

2)3번째 그림의 경우에 보시면 주행모터 씰을 찾아 보세요

주행 모터 샤우드 베어링 및 주행모터 씰의 파손이 될 경우에는

유압유가 누유 됩니다.

그 누유된 유압유는 어디로 가냐?

바로 주행감속기 부분으로 넘어갑니다.

주행감속기 안에는 적당한 기어오일이 주입 되어 있습니다.

그 공간에 유압유가 넘어오면서 기어오일과 유압유가 그 안에 꽉 차게 됩니다.

그럴 경우 스프라켓(톱니)의 사이로 오일이 새어 나오게 됩니다.

주행감속기의 델로씰이 파손되어 새는 경우도 있지만

주행감속기 안에 유압유와 기어오일이 꽉 차서 더이상 빠져 나갈 공간이 없어서

그 사이로 새어 나옵니다.

작업 하다가 LPG 가스 냄새가 심하게 날 경우 한번 보십시요

 

3)3번 그림에 주행모터 샤우드라고 있습니다.

이것이 무었이냐?

유압 P1,P2를 통해서 전달해 오는 배관이 주행 모터를 구동을 시킵니다.

이 주행모터 샤우드가 주행감속기 부분의 기어와 맞 물려서 주행감속기가 구동을 하게 됩니다.

이 샤우드 부분의 기어 부분이 마모되면 주행감속기는 구동을 안 합니다.

단,양쪽 바퀴를 모두 주행을 했을때 구동을 하게 된다면 주행모터 샤우드의 마모로 보여지고

주행 부분이 꼼짝을 안 할경우에는 주행감속기 부분의 파손으로 보시면 됩니다.

 

4)흔히 집에서 사용하시는 굴삭기의 경우 두산,현대,볼보의 02굴삭기의 경우 주행감속기 부분은 똑 같습니다.

모터를 다를 뿐입니다. 주행속도에서 차이가 납니다.

주행모터와 주행감속기 부분이 체결된 통째로 교환하시면 장착은 맞습니다.

하지만 주행의 속도는 편차가 심하게 납니다.

볼보의 경우가 빠릅니다.

그 외 삼성의 굴삭기 경우 모두 틀립니다.

 

14. 유압펌프 배관 및 회로도

 

굴삭기의 유압펌프의 종류는 크게 2가지로 나누어집니다.

피스톤 펌프

기어펌프

유압펌프는 엔진에 의해 펌프의 구동으로 유압유의 압력으로 유량을 모터나 실린더에 전달하여

작동시키는 유압장치의 동력 전달 장치 입니다.

엔진이 1분에 100회전을 하면 펌프도 똑 같이 회전을 합니다.

엔진에 열결된 드라이브샤프트의 회전으로 피스톤이 회전을 하고

밸브플레이트(콘트롤플레이트)가 회전 하면서 유압유를 공급하면서 플레이트를 통하여

P1.P2 사이로 유압유를 토출하여 맨 아래의 그림과 같이

콘트롤 밸브로 전달하여 힘의 동력을 전달 합니다.

P1.P2 를 통해 전달 받은 유량이 각 모터,실린더를 구동시키고 모든 유압유는

위 그림에 "저압배관"의 그림처럼 다시 유압탱크로 돌아와서 유압휠터에서

이물질을 걸러주고 또 다시 메인펌프로 흡입되어서 역 순환을 시킵니다.

 

1) 질문 : 작업중에 엔진 시동은 아무 상관이 없는데 상부 레바 동작,주행 레바까지 모든 동작이 안됩니다.

    답변 : 2번째 그림의 드라이브 샤프트(펌프샤우드) 앞의 기어 부분과 엔진의 펌프커플링에 닿는 기어

             부분이 마모 및 파손이 될 경우에 헛 바퀴를 돌아서 구동이 안됩니다.

             드라이브 샤프트 의 가운데 부분이 절단 되는 경우에도 해당 됩니다.

2) 질문 : 스윙 동작이 좌,우측이 매우 느려지고 도자 블레이드가 상,하 동작이 많이 느려졌다.

    답변 : P3 부분의 기어펌프의 교환시기 입니다. 자가 방법은 P3의 호스와 P1 P2의 둘중의 호스와

            서로 맞교환으로 체결 후 동작을 해보십시요 .

            동작이 수월 해졌을 경우에는 기어펌프 교체 시기 입니다.

3) 질문 : 작업중 동작부하가 걸리거나 동작이 끊어지고 연결이 부드럽지 않을 경우

   답변  :  이럴 경우 펌프 파손이 의심 됩니다. 유압탱크를 열어서 유압휠터 위 부분을 보십시요

              노란 쇠 가루 또는 하얀 가루가 나오는지 확인 해보시고 펌프를 수리 교환 하십시요

 

 

 

 

 

 

 

 

 

굴삭기 주행모터 및 주행감속기의 분해도 및 배관 회로도 입니다.

모든 굴삭기 기종과 상관없이 회로도 및 배관은 같습니다.

하지만 메이커에 따라서 기종에 따라서 주행모터 및 주행 감속기가 다릅니다.

 

1.주행모터

 

1)위 사진을 보면 주행모터 부분에 P1,P2의 고압 포트에 연결되는 고압호스의 경우

이 유압호스가 누유 되면 주행은 불능입니다.

또한 시동을 정지 시켜도 유압탱크의 유압유가 모두 그 호스를 통해 배출됩니다.

 

2)3번째 그림의 경우에 보시면 주행모터 씰을 찾아 보세요

주행 모터 샤우드 베어링 및 주행모터 씰의 파손이 될 경우에는

유압유가 누유 됩니다.

그 누유된 유압유는 어디로 가냐?

바로 주행감속기 부분으로 넘어갑니다.

주행감속기 안에는 적당한 기어오일이 주입 되어 있습니다.

그 공간에 유압유가 넘어오면서 기어오일과 유압유가 그 안에 꽉 차게 됩니다.

그럴 경우 스프라켓(톱니)의 사이로 오일이 새어 나오게 됩니다.

주행감속기의 델로씰이 파손되어 새는 경우도 있지만

주행감속기 안에 유압유와 기어오일이 꽉 차서 더이상 빠져 나갈 공간이 없어서

그 사이로 새어 나옵니다.

작업 하다가 LPG 가스 냄새가 심하게 날 경우 한번 보십시요

 

3)3번 그림에 주행모터 샤우드라고 있습니다.

이것이 무었이냐?

유압 P1,P2를 통해서 전달해 오는 배관이 주행 모터를 구동을 시킵니다.

이 주행모터 샤우드가 주행감속기 부분의 기어와 맞 물려서 주행감속기가 구동을 하게 됩니다.

이 샤우드 부분의 기어 부분이 마모되면 주행감속기는 구동을 안 합니다.

단,양쪽 바퀴를 모두 주행을 했을때 구동을 하게 된다면 주행모터 샤우드의 마모로 보여지고

주행 부분이 꼼짝을 안 할경우에는 주행감속기 부분의 파손으로 보시면 됩니다.

 

4)흔히 집에서 사용하시는 굴삭기의 경우 두산,현대,볼보의 02굴삭기의 경우 주행감속기 부분은 똑 같습니다.

모터를 다를 뿐입니다. 주행속도에서 차이가 납니다.

주행모터와 주행감속기 부분이 체결된 통째로 교환하시면 장착은 맞습니다.

하지만 주행의 속도는 편차가 심하게 납니다.

볼보의 경우가 빠릅니다.

그 외 삼성의 굴삭기 경우 모두 틀립니다.

 

15.여름철 냉각시스템 관리

 

 

더운 여름철 굴삭기 냉각시스템에 대한 몇가지 정리를 해봅니다.

사람도 더운 여름에는 힘들지만 굴삭기 또한 더위에 많이 지칩니다.

여름철 냉각수 계통만 점검만 잘해도 엔진과열에  엔진파손으로 인한 불상사를

미연에 방지할수 있습니다.

 

1.온도 게이지가 반 이상이 올라 갈 경우?

이런 경우에는 여러가지 문제가 있습니다.

일단은 라지에터의 막힘,라지에터 부식으로 순환이 잘 되지 않을경우

또는 써머스타트(정온기)의 막힘으로 인하여 순환이 안될경우

휀벨트 느슨해졌을 경우

냉각수 부족으로 인한 경우..

냉각수 온도스위치의 불량일 경우 등등 이유는 많습니다.

 

조치방법:

써머스타트는 여름철에 빼 내셔도 됩니다.정온기를 제거후 또는 교환으로 사용해 보십시요.

라지에터 교환주기가 넘었을 경우 교환 하십시요.

라지에터 부식으로 인하여 막히는 경우가 참 많습니다.

라지에터 청소해주는 약을 넣는 경우가 많은데 교환이 가장 좋습니다.

 

2.라지에터 보조 탱크로 냉각수가 오버히트를 할 경우

두가지 원인으로 봅니다.

위 그림의 냉각 시스템의 회로도를 잘 보시면

라지에터->냉각수펌프->실린더헤드->서머스타트->라지에터로 순환이 됩니다.

오버히트 같은 경우는 라지에터 부식으로 순환이 안 될경우

또는 실린더헤드가스켓의 불량으로 인한 경우가 가장 통상적 입니다.

 

조치방법:

제일 먼저 돈이 적게 들어가는 방법을 선택 한 다면

라지에터 교환을 우선으로 합니다.

라지에터 교환을 해보시고 만약 그래도 오버히트를 한다면

실린더 헤드 가스켓을 교환 하시면 100% 오버히트의 원인을 찾아 낼수 있습니다.

이때 정온기 교환 및 제거는 잊지 마세요!

 

3.라지에터 그리고 오일쿨러 사이에는 수많은 먼지 낙엽이 많이 쌓여 있습니다.

냉각수 열을 발생 시키는 원인이 되기도 합니다.

고압 에어로 불어 내도 그 사이에 있는 것은 제거 하기 어렵습니다.

두개 다 탈거 해서 분해 후 힘 좋은 에어로 라지에터 결이 뭉그러지지 않도록

먼지를 불어 내는 방법이 최 우선 입니다.

 

4.여름철에도 냉각수는 꼭 넣어 주십시요

간혹 흐르는 논 물이나 계곡물을 넣는데 라지에터 부식으 가장 큰 원인 입니다.

냉각수 꼭 넣으십시요.요즘은 사계절 용으로 시판  됩니다.

사계절 용으로 넣으셔도 됩니다.

 

5.휀벨트도 점검 하십시요.

느슨 해졌을 경우에 충전이 잘 안되는 경우가 많습니다.

또한 냉각휀의 날개 부분의 파손을 그냥 사용하시는 분들도 많이 계신데

절대 사용하지 마십시요.

라지에터의 파손으로 까지 이어 집니다.

 

6.냉각수 펌프의 경우 베어링이 파손이 안되도 물이 새는 경우가 있습니다.

교환 하십시요.베어링이 파손이 안되도 냉각수가 샐수 있습니다.

 

16.굴삭기 유압라인 장착하기

 

또는 별도의 나무집게 나무도끼를 굴삭기를 이용하여 장착을 원할 경우는

매우 유용하게 사용하실 수 있습니다.

브레이커 유압라인을 사용하면 되지 않는냐 란 질문을 많이 받게 되는데

사용할수는 없고 브레이커 유압배관은 사용하실수 있습니다.

1단수동제어밸브(수동콘트롤밸브)를 아래 그림과 같이 장착하여 발로 움직일수 있고

전자방향밸브를 이용하여 작업레바 손잡이의 전기선을 이용하여 사용하실수는 있지만

비용이 더 많이 발생하기 때문에 수동으로 하시는것이 경제적이라 판단됩니다.

직접 배관을 장착 할수 있습니다.

비용도 최소한으로 가능합니다.

 

** 회로도 및 장착 방법을 알고 싶으신 분들은 메일(forkrang@hanmail.net) 또는 쪽지로

    굴삭기 차종을 꼭 적어서 문의 바랍니다.**

 

아래 그림만 봐도 굴삭기 유압을 조금이라도 아시는 분들은 유압라인 회로를 충분이

아실거라 판단 됩니다.

 

준비:

1단수동밸브(7~8만원)및 고정 볼트

유압호스제작 및 연결아답터

용접기(밸브 케이스장착용접)

 

 

 


출처 : 수레의산농원(하늘터농장)  |  글쓴이 : 농막 원글보기
메모 :
좋은 자료 감사합니다.